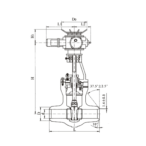
磅级高温高压电站用对焊闸阀
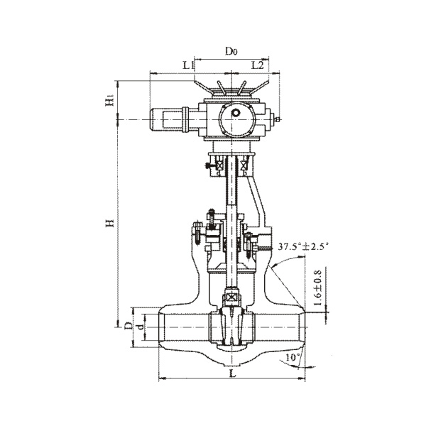
磅级高温高压电站用电动对焊闸阀
磅级高温高压电站用齿轮传动对焊闸阀
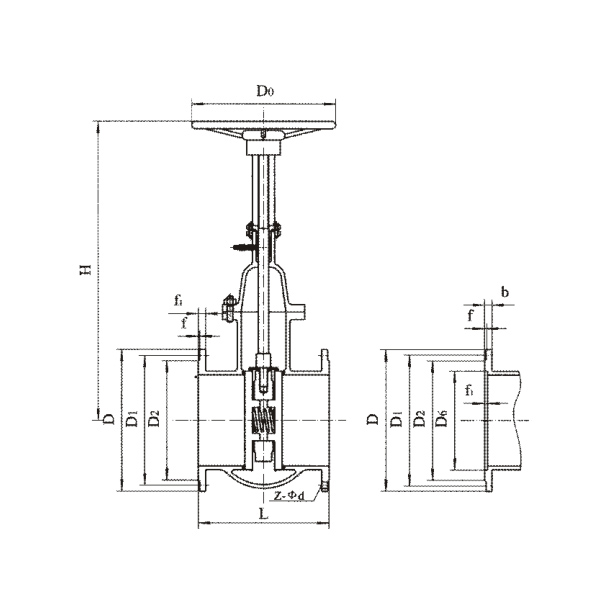
电站用法兰楔式闸阀
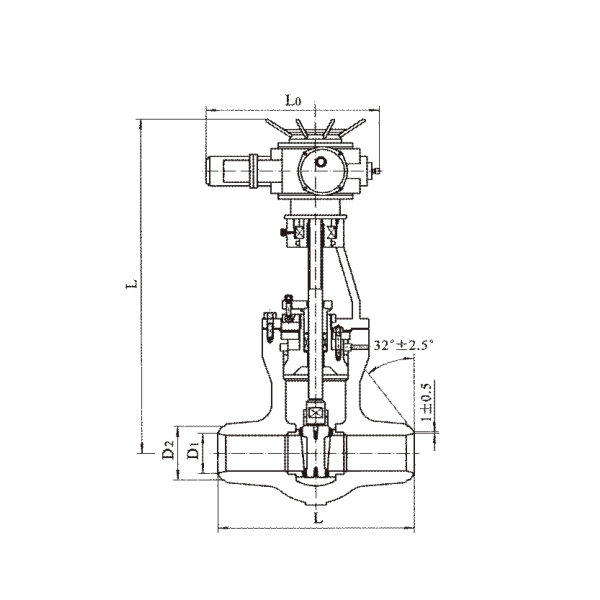
电站用电动对焊闸阀
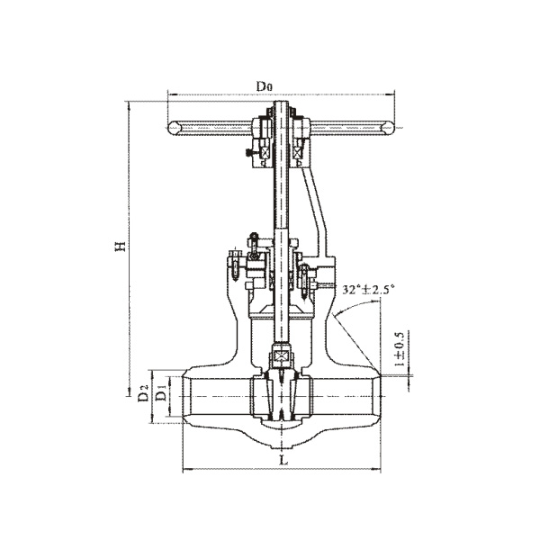
电站用对焊楔式闸阀
电站用电动对焊楔式闸阀
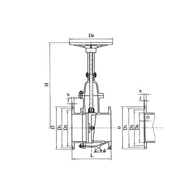
排渣闸阀
水封闸阀
真空隔离闸阀
磅级电站用高温高压对焊截止阀